MAIN
PRODUCTS
ABOUT US
SERVICES
DOWNLOAD
CONTACTS
En
Ru
DC electric motors are used to drive lifting mechanisms, as well as in electro-hydraulic pumps:
- warehouse equipment (stackers, loaders, platforms);
- electric transport;
- commercial vehicles electro-hydraulic drive
Download
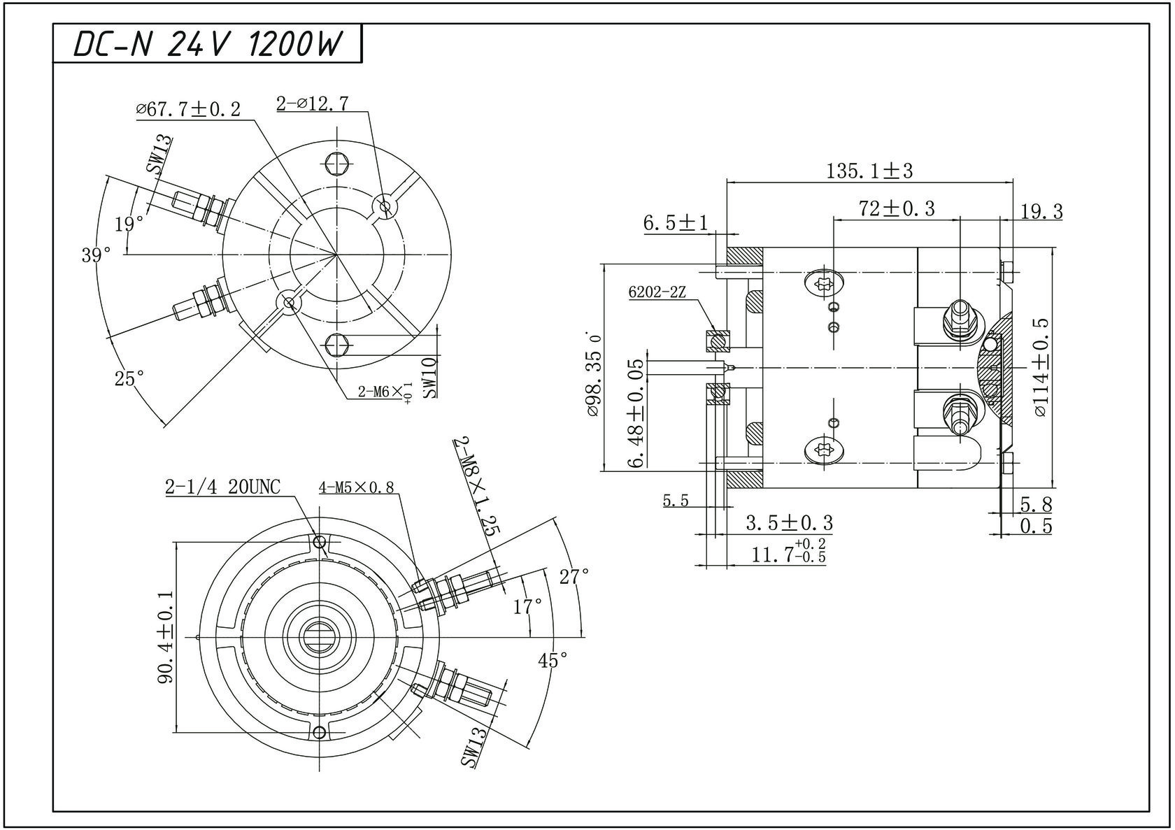
DC-N
Model;Voltage;Power;Current;Torque;Speed;Rotation
DC-N24V1200W;24V;1200W;90A;3N.m;4500RPM;CW
Contacts
Tel.: +7 4014 332587
mikrodvigatel@mail.ru
238050, Russia, Kaliningrad region,
Gusev city, Pravoberezhnaja st, 12,
liter D, 4th floor
Message sent.Thank you!
SEND
By clicking on the button, you consent to the processing of personal data and agree to the
privacy policy
© 1961-2020. MIKRODVIGATEL
© 1961-2020. MIKRODVIGATEL
Up