MAIN
PRODUCTS
ABOUT US
SERVICES
DOWNLOAD
CONTACTS
En
Ru
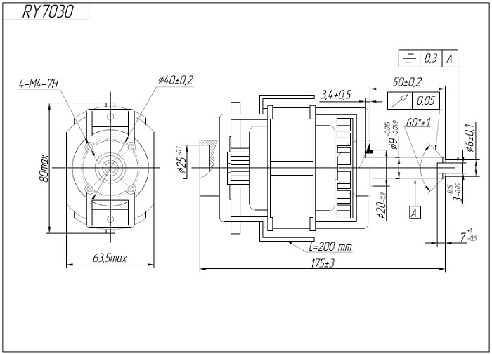
The universal collector motor RY7030 used to drive household milk separators.
Download
RY7030
Model;Voltage;Power;Speed;Rotation
RY7030;220V;80W;11000RPM;RIGHT
Contacts
Tel.: +7 4014 332587
mikrodvigatel@mail.ru
238050, Russia, Kaliningrad region,
Gusev city, Pravoberezhnaja st, 12,
liter D, 4th floor
Message sent.Thank you!
SEND
By clicking on the button, you consent to the processing of personal data and agree to the
privacy policy
© 1961-2020. MIKRODVIGATEL
© 1961-2020. MIKRODVIGATEL
Up