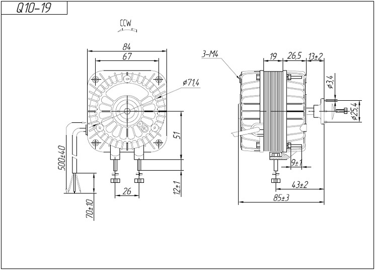
Изображение электродвигателя Q10-19
Чертеж электродвигателя Q10-19

Электродвигатели асинхронные однофазные Q-серии применяются в оборудовании
с вентиляторной нагрузкой:
- промышленные холодильные установки;
- тепловые завесы;
- теплопушки.

Скачать чертеж

Q10-19

Контакты

Тел.: +7 4014 332587

mikrodvigatel@mail.ru

238050, Россия, Калининградская обл.,
г. Гусев, ул. Правобережная, д. 12,
литер Д, 4 этаж
Нажимая на кнопку, вы даете согласие на обработку персональных данных и соглашаетесь c политикой конфиденциальности
Производство https://static.tildacdn.com/tild6335-6432-4636-b938-326235306464/mikrodvigatel.jpg Компания Микродвигатель - является одним из ведущих производителей асинхронных и коллекторных электродвигателей постоянного и переменного тока различных напряжений
238050, Россия, Калининградская обл.,г. Гусев, ул. Правобережная, д. 12, литер Д, 4 этаж
Телефон: +7 4014 332587
Почта:
Мы работаем ежедневно с 09:00 до 20:00