Изображение электродвигателя УЛ-062
Чертеж электродвигателя УЛ-062

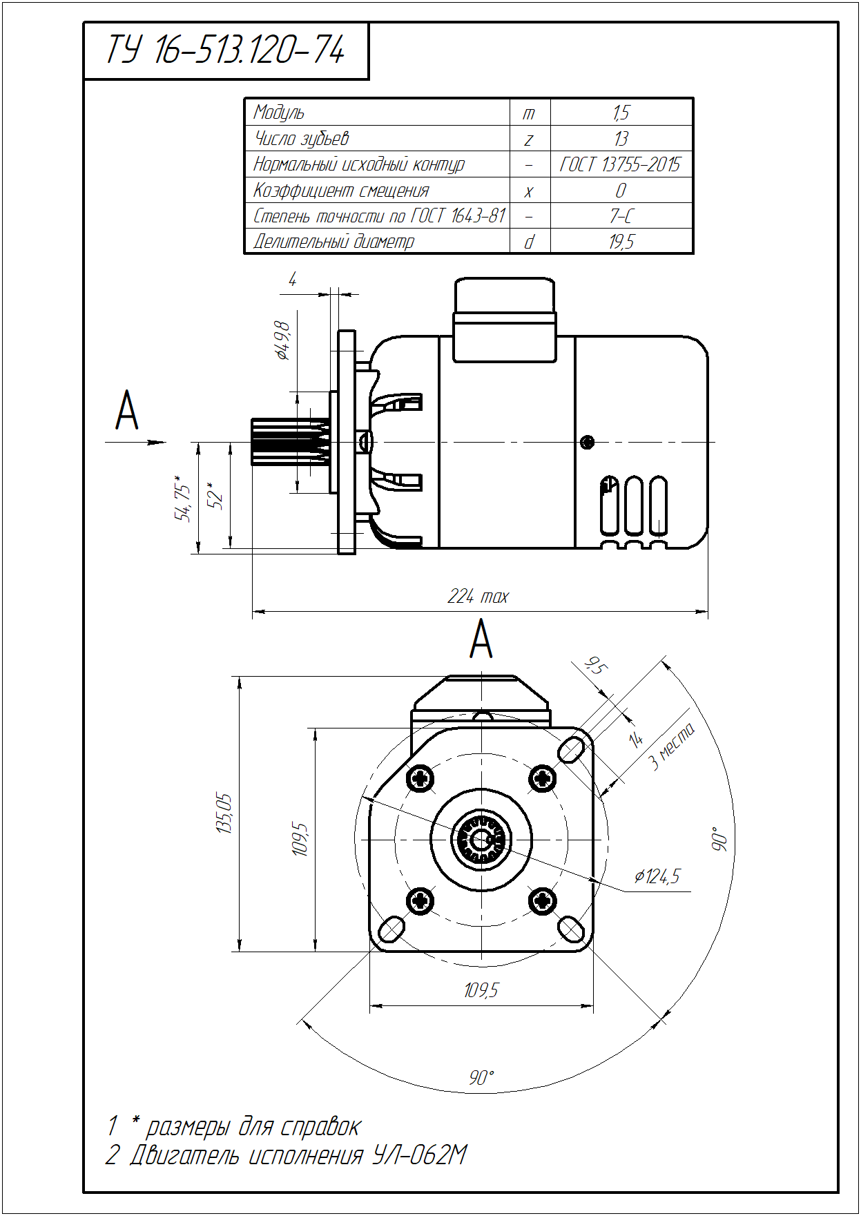
Universal collector electric motors of the UL-062 series are used as an electric drive for various devices on the railway, machine tools and other products.

UL-062М

Version IM3601

Contacts

Tel.: +7 4014 332587


mikrodvigatel@mail.ru


238050, Russia, Kaliningrad region,
Gusev city, Pravoberezhnaja st, 12,
liter D, 4th floor
By clicking on the button, you consent to the processing of personal data and agree to the privacy policy
Производство https://static.tildacdn.com/tild6335-6432-4636-b938-326235306464/mikrodvigatel.jpg Компания Микродвигатель - является одним из ведущих производителей асинхронных и коллекторных электродвигателей постоянного и переменного тока различных напряжений
238050, Россия, Калининградская обл.,г. Гусев, ул. Правобережная, д. 12, литер Д, 4 этаж
Телефон: +7 4014 332587
Почта:
Мы работаем ежедневно с 09:00 до 20:00